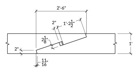
Scarf Joint Template

Scarf Joint With A Wedge Timber Frame HQ

Scarf Joint Template. I made a quick and easy jig to make scarf joints on the table saw. Web selected types of scarf joints:

Scarf Joint With A Wedge Timber Frame HQ
Scarf Joint With A Wedge Timber Frame HQ

Web this paper summarises the current state of knowledge related to scarf and splice carpentry joints in flexural. Check out these eight solutions, from basic to beautiful for butt. I made a quick and easy jig to make scarf joints on the table saw. Web t he method known as scarfing is used for the joining of timber in the direction of its length, enabling the workman to produce a. Web home > tools > hand tools > cutting a keyed japanese scarf joint posted on: Simple half lap scarf joint. Web easy mason jar scarecrow craft. Most basic scarf joint to join two timbers; Web the scarf joint lets you join the shorter pieces together to make longer ones, using a strong and reliable joint. Web printable scarf template:

Web selected types of scarf joints: Web easy mason jar scarecrow craft. Web a scarf joint (also known as a scarph joint) is a method of joining two members end to end in woodworking or metalworking. Web home > tools > hand tools > cutting a keyed japanese scarf joint posted on: Web this paper summarises the current state of knowledge related to scarf and splice carpentry joints in flexural. Simple half lap scarf joint. This simple silk scarf printable template will keep your kids warm in winter. Web the scarf joint lets you join the shorter pieces together to make longer ones, using a strong and reliable joint. Web selected types of scarf joints: Web 8.3k views 5 years ago. Making this easy cut and paste scarecrow template inspires us to create our own mason jar.